O NÁS
PRODUKTY
INFORMACE
SERVIS
ENGINEERING
AC Motory
Indukční motory
Reverzní motory
Induční motory se svorkovnici
Svorkovnice reversních motorů
Brzdové motory
Řízené motory (SU)
Řízené motory (SP)
Řízené brzdové motory
Stíněné indukční motory
Otevřený typ motoru
Speciální motory
DC motory
Micro komutátorové motory
Komutátorové motory
Speciální motory
BLDC
AC vstup
DC vstup
Motory s převodovkou
K6G
K7G
K8G
K9G
K9P
Plochá převodovka
K6H
K8H
K9H
Kontrolery
AC MOTORY
BLDC motory
Mikro BLDC motory
Motory s planetovou převodovkou
Doplňky
Značení motorů
Video
OPIS Engineering k.s. Selská 64
61400 Brno Czech Republic
Tel: +420 543 330 057
Mobil: +420 739 097 261
Email:
info@opis.cz
HOME
PRODUKTY
PŘÍSTROJOVÉ POHONY
GGM
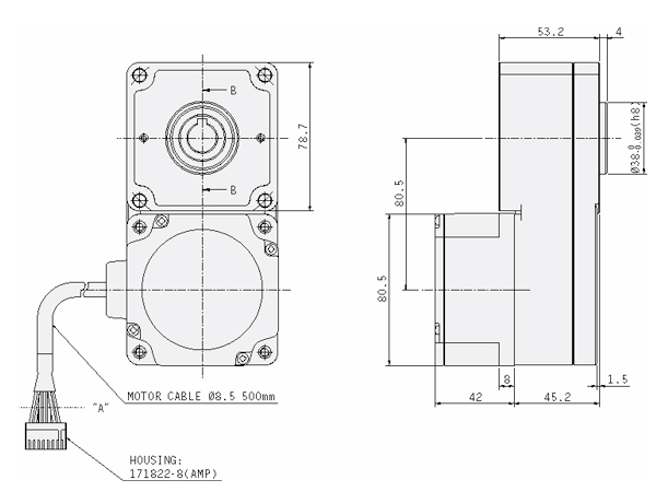
PLOCHÁ PŘEVODOVKA MOTOR BLDC 50W K8H vstup DC
K6H 20W
K8H 50W
K9H 90W
KATALOG
ROZMĚRY
VÝKON
ZNAČENÍ
50W
BLDC
katalog
manuál
K8H□BTH