O NÁS
PRODUKTY
INFORMACE
SERVIS
ENGINEERING
AC Motory
AC motory
Reverzní motory
AC motory se svorkovnici
Svorkovnice reversních motorů
Brzdové motory
Řízené motory (SU)
Řízené motory (SP)
Řízené brzdové motory
Motory se stíněným pólem
Otevřený typ motoru
Speciální motory
DC motory
Micro komutátorové motory
Standardní komutátorové motory
Speciální motory
BLDC
AC vstup
DC vstup
Mikro BLDC
ZDROJE 12/24/48V DC
Převodovky
Motory s planetovou převodovkou
Kontroléry
AC MOTORY
BLDC motory
Mikro BLDC motory
Doplňky
Značení motorů
Video
OPIS Engineering k.s. Selská 64
61400 Brno Czech Republic
Tel: +420 543 330 056 předvolba 18
Email:
info@opis.cz
HOME
PRODUKTY
PŘÍSTROJOVÉ POHONY
GGM
AC ŘÍZENÉ MOTORY SU ( s konektorem)
Řízené motory(SU)
6W
15W
25W
40W
60W
90W
120W
180W
REVERZNÍ 6W
15W
25W
40W
60W
90W
KATALOG
CAD
SÉRIE
PŘEVOVOVKA
ZNAČENÍ
6
W
K6IG6N□-SU, K6IS6N□-SU
katalog
manuál
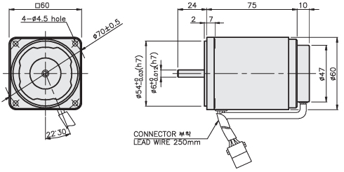
(□ 60 ) mm