O NÁS
PRODUKTY
INFORMACE
SERVIS
ENGINEERING
AC Motory
Indukční motory
Reverzní motory
Induční motory se svorkovnici
Svorkovnice reversních motorů
Brzdové motory
Řízené motory (SU)
Řízené motory (SP)
Řízené brzdové motory
Stíněné indukční motory
Otevřený typ motoru
Speciální motory
DC motory
Micro komutátorové motory
Komutátorové motory
Speciální motory
BLDC
AC vstup
DC vstup
Převodovky
K6G
K7G
K8G
K9G
K9P
Plochá převodovka
K6H
K8H
K9H
Kontroléry
AC MOTORY
BLDC
Motory s planetovou převodovkou
Doplňky
Značení motorů
Video
OPIS Engineering k.s. Selská 64
61400 Brno Czech Republic
Tel: +420 543 330 057
GSM: +420 739 724 488
Email:
info@opis.cz
HOME
PRODUKTY
PŘÍSTROJOVÉ MOTORY
GGM
AC ŘÍZENÉ MOTORY SP
Řízené motory(SP)
6W
15W
25W
40W
60W
90W
120W
180W
REVERZNÍ 6W
15W
25W
40W
60W
90W
KATALOG
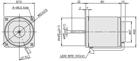
ROZMĚRY
PŘEVODOVKA
ZNAČENÍ
15W
(□70mm)
K7IG15N□-SP
K7IS15N□-SP