O NÁS
PRODUKTY
INFORMACE
SERVIS
ENGINEERING
AC Motory
Indukční motory
Reverzní motory
Induční motory se svorkovnici
Svorkovnice reversních motorů
Brzdové motory
Řízené motory (SU)
Řízené motory (SP)
Řízené brzdové motory
Stíněné indukční motory
Otevřený typ motoru
Speciální motory
DC motory
Micro komutátorové motory
Komutátorové motory
Speciální motory
BLDC
AC vstup
DC vstup
Motory s převodovkou
K6G
K7G
K8G
K9G
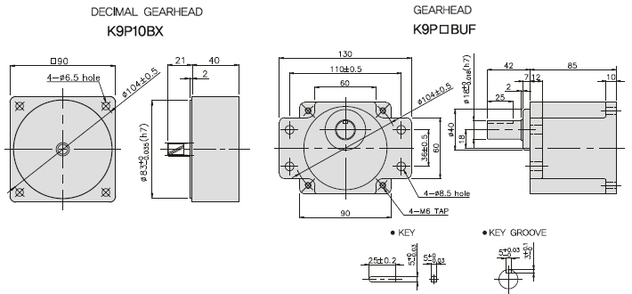
K9P
Plochá převodovka
K6H
K8H
K9H
Kontrolery
AC MOTORY
BLDC
Motory s planetovou převodovkou
Doplňky
Značení motorů
Video
OPIS Engineering k.s. Selská 64
61400 Brno Czech Republic
Tel: +420 543 330 057
Email:
info@opis.cz
HOME
PRODUKTY
PŘÍSTROJOVÉ MOTORY
GGM
PŘEVODOVKY K9P
K9P□B
K9P□BF
K9P□BU
K9P□BUF
ㆍ90W
ㆍ120W
ㆍ150W
ㆍ180W
ㆍ200W
KATALOG
ROZMĚRY
SÉRIE
ZNAČENÍ
180
W
katalog
manuál
K9P□BUF