O NÁS
PRODUKTY
INFORMACE
SERVIS
ENGINEERING
AC Motory
AC motory
Reverzní motory
AC motory se svorkovnici
Svorkovnice reversních motorů
Brzdové motory
Řízené motory (SU)
Řízené motory (SP)
Řízené brzdové motory
Motory se stíněným pólem
Otevřený typ motoru
Speciální motory
DC motory
Komutátorové motory
Standardní komutátorové motory
Mikro DC převodovkové motory
Speciální motory
BLDC
AC vstup
DC vstup
Mikro BLDC
ZDROJE 12/24/48V DC
Převodovky
Čelní
Pravoúhlé
Ploché
Motory s planetovou převodovkou
Kontroléry
AC MOTORY
BLDC motory
Mikro BLDC motory
Doplňky
Značení motorů
Video
OPIS Engineering k.s. Selská 64
61400 Brno Czech Republic
Tel: +420 515 540 038
Tel: +420 734 150 808
Pracovníci:
zde
Email: opis@opis.cz
HOME
PRODUKTY
PŘÍSTROJOVÉ POHONY
GGM
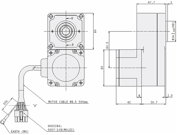
PLOCHÁ PŘEVODOVKA K6H□BTH 20W
Ploché převodovky
K6H 20W
K8H 40W
K9H 90W
KATALOG
ROZMĚRY
SÉRIE
ZNAČENÍ
katalog
manuál
K6H□BTH