O NÁS
PRODUKTY
INFORMACE
SERVIS
ENGINEERING
AC Motory
AC motory
Reverzní motory
AC motory se svorkovnici
Svorkovnice reversních motorů
Brzdové motory
Řízené motory (SU)
Řízené motory (SP)
Řízené brzdové motory
Motory se stíněným pólem
Otevřený typ motoru
Speciální motory
DC motory
Komutátorové motory
Standardní komutátorové motory
Mikro DC převodovkové motory
Speciální motory
BLDC motory
AC vstup
DC vstup
Mikro BLDC
ZDROJE 12/24/48V DC
Převodovky
Čelní
Pravoúhlé
Ploché
Motory s planetovou převodovkou
Kontroléry
AC MOTORY
BLDC motory
Mikro BLDC motory
Doplňky
Značení motorů
Video
OPIS Engineering k.s. Selská 64
61400 Brno Czech Republic
Tel: +420 543 330 055
Email:
info@opis.cz
HOME
PRODUKTY
PŘÍSTROJOVÉ POHONY
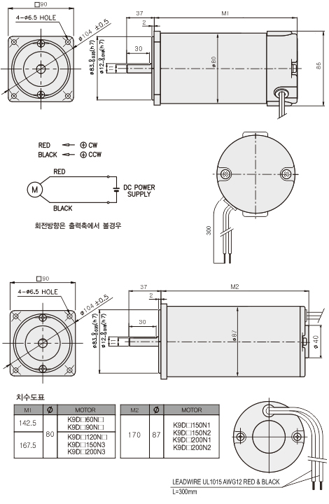
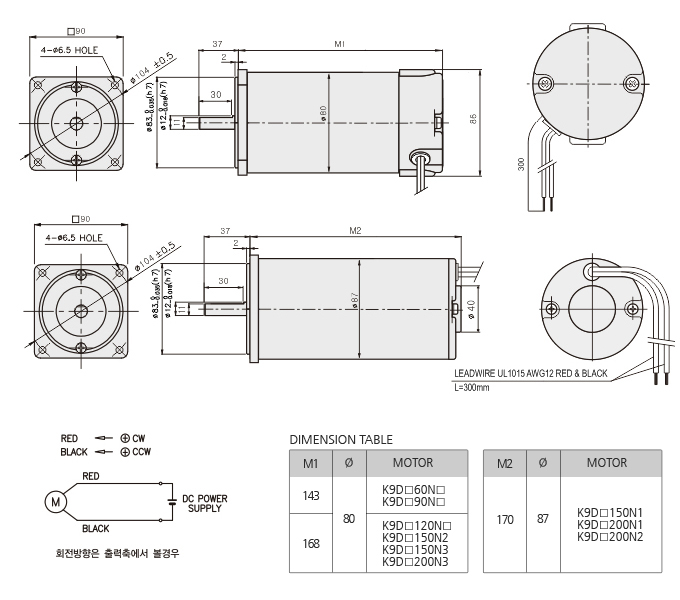
STANDARDNÍ KOMUTÁTOROVÝ MOTOR K9D (60W~200W)
DC motory
K6D
K7D
K8D
K9D 40W
K9D 60~200W
KATALOG
CAD
TYP
ZNAČENÍ
K9D (60W~200W)
katalog
manuál
K9DP□N□
K9DS□N□
převodovka