O NÁS
PRODUKTY
INFORMACE
SERVIS
ENGINEERING
AC Motory
AC motory
Reverzní motory
AC motory se svorkovnici
Svorkovnice reversních motorů
Brzdové motory
Řízené motory (SU)
Řízené motory (SP)
Řízené brzdové motory
Motory se stíněným pólem
Otevřený typ motoru
Speciální motory
DC motory
Komutátorové motory
Standardní komutátorové motory
Mikro DC převodovkové motory
Speciální motory
BLDC motory
AC vstup
DC vstup
Mikro BLDC
ZDROJE 12/24/48V DC
Převodovky
Čelní
Pravoúhlé
Ploché
Motory s planetovou převodovkou
Kontroléry
AC MOTORY
BLDC motory
Mikro BLDC motory
Doplňky
Značení motorů
Video
OPIS Engineering k.s. Selská 64
61400 Brno Czech Republic
Tel: +420 543 330 056 předvolba 18
Email:
info@opis.cz
HOME
PRODUKTY
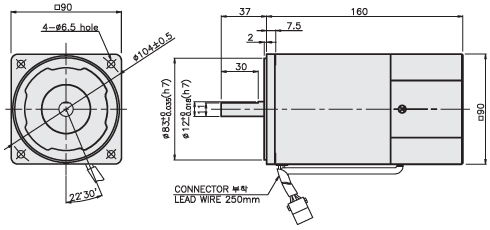
PŘÍSTROJOVÉ POHONY
AC ŘÍZENÉ MOTORY SU ( s konektorem) 60W
SU
6W
15W
25W
40W
60W
90W
120W
180W
reSU
6W
15W
25W
40W
60W
90W
120W
180W
KATALOG
ROZMĚRY
TYP
PŘEVODOVKA
ZNAČENÍ
60
W
(□90mm)
katalog
manuál
K9IP60F□-SU
K9IS60F□-SU
převodovka