ORGANIZACE
PRODUKTY
INFORMACE
SERVIS
ENGINEERING
AC Motory
AC motory
Reverzní motory
AC motory se svorkovnici
Svorkovnice reversních motorů
Brzdové motory
Řízené motory (SU)
Řízené motory (SP)
Řízené brzdové motory
Motory se stíněným pólem
Otevřený typ motoru
Speciální motory
DC motory
Micro komutátorové motory
Standardní komutátorové motory
Speciální motory
BLDC
AC vstup
DC vstup
Mikro BLDC
ZDROJE 12/24/48V DC
Převodovky
Motory s planetovou převodovkou
Kontroléry
AC MOTORY
BLDC motory
Mikro BLDC motory
Doplňky
Značení motorů
Video
OPIS Engineering k.s. Selská 64
61400 Brno Czech Republic
Tel: +420 543 330 055
GSM: +420 734 150 808
Email: opis@opis.cz
HOME
PRODUKTY
BLDC MOTORY
GGM
DOPLŇKY K9B M-8
K6B
K7B
K8B
K9B-M6
K9B-M8
PŘÍSLUŠENSTVÍ
DOPLŇKY
KATALOG
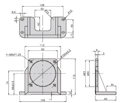
ROZMĚRY
TYP
ZNAČENÍ
K9B M8
(□90mm)
MOTOR : K9□S□F□
GEARHEAD
: K9G□B, K9P□B