ORGANIZACE
PRODUKTY
INFORMACE
SERVIS
ENGINEERING
AC Motory
AC motory
Reverzní motory
AC motory se svorkovnici
Svorkovnice reversních motorů
Brzdové motory
Řízené motory (SU)
Řízené motory (SP)
Řízené brzdové motory
Motory se stíněným pólem
Otevřený typ motoru
Speciální motory
DC motory
Komutátorové motory
Standardní komutátorové motory
Mikro DC převodovkové motory
Speciální motory
BLDC motory
AC vstup
DC vstup
Mikro BLDC
ZDROJE 12/24/48V DC
Převodovky
Čelní
Pravoúhlé
Ploché
Motory s planetovou převodovkou
Kontroléry
AC MOTORY
BLDC motory
Mikro BLDC motory
Doplňky
Značení motorů
Video
OPIS Engineering k.s. Selská 64
61400 Brno Czech Republic
Tel: +420 543 330 056 předvolba 18
Email:
info@opis.cz
HOME
PRODUKTY
PORTFOLIO GGM
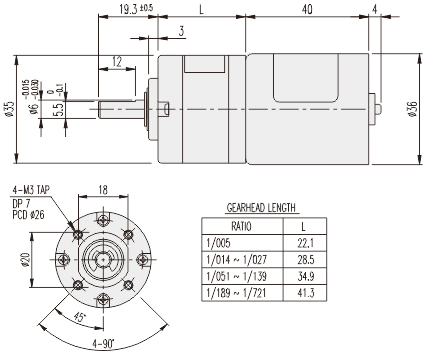
PLANETOVÉ PŘEVODOVKY K35 3640
DC planet.
K12-1230
K16-1627
K22-2419
K22-2032
K30-2847
K35-3429/3448
K35-3640
K35-3657
K42-4266
K42-4932
K52-K6DS25N
KATALOG
CAD
SÉRIE
ZNAČENÍ
K35 3640
katalog
manuál
K35 3640