O NÁS
PRODUKTY
INFORMACE
SERVIS
ENGINEERING
AC Motory
AC motory
Reverzní motory
AC motory se svorkovnici
Svorkovnice reversních motorů
Brzdové motory
Řízené motory (SU)
Řízené motory (SP)
Řízené brzdové motory
Motory se stíněným pólem
Otevřený typ motoru
Speciální motory
DC motory
Micro komutátorové motory
Komutátorové motory
Speciální motory
Mikro BLDC
BLDC
AC vstup
DC vstup
Mikro BLDC
ZDROJE 12/24/48V DC
Převodovky
Motory s planetovou převodovkou
Kontroléry
AC MOTORY
BLDC motory
Mikro BLDC motory
Doplňky
Značení motorů
Video
OPIS Engineering k.s. Selská 64
61400 Brno Czech Republic
Tel: +420 543 330 056 předvolba 18
Email:
info@opis.cz
HOME
PRODUKTY
PŘÍSTROJOVÉ POHONY
GGM
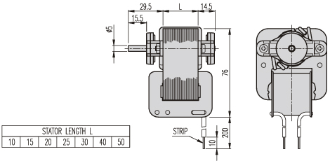
série KA AC MOTORY SE STÍNĚNÝM PÓLEM
Stín.motory
KA
KGA
KGB
KGB-BRAKE
KGH
KGL
KGL2
KGQ
KGR
KGR5
KMF
KATALOG
CAD
SÉRIE
ZNAČENÍ
6W
(□60mm)
katalog
rozměry
K6IG6N□
K6IS6N□
převodovky